Dahua EPC230U-PTZ-IR
IP kamera, PTZ, Explosion-proof, 2Mpix, 60fps, Starvis, H.265+, motor 4,5-135mm, 68-2st., WDR, IR 100m, analytiky, ATEX
(Kód:NETDAH2240)
| Dostupnosť na skladoch: | |||
|---|---|---|---|
| Brno | Bratislava | ||
| Neznáma dostupnosť | |||
Pre zobrazenie ceny a vloženie produktu do košíka sa najprv musíte prihlásiť.
| Kód | NETDAH2240 |
| PN | EPC230U-PTZ-IR |
| EAN | |
| Záruka | 38 měs. |
| Značka |
DAHUA TECHNOLOGY
|
IP kamera s rozlišením snímače 2 Mpx je schopna snímat video v rozlišení 1920 x 1080 při až 60 snímcích za vteřinu. K dobrému obrazovému podání přispívá WDR technologie. Optimalizace datového toku pomocí kodeku H.265+ a H.264+ snižuje celkové náklady na datová úložiště při zachování jen té nejvyšší možné kvality obrazu. Kamera disponuje inteligentní videoanalýzou a spravovat ji lze skrze webový prohlížeč, nebo přes aplikaci pro chytré telefony. Samozřejmostí je přítomnost microSD slotu pro karty o velikosti až 128 GB. Kamera je vhodná pro venkovní umístění díky voděodolnosti dle certifikace IP68. Napájení je řešeno pomocí síťového adaptéru AC 230 V (AC 100-240 V).
Kamera je vybavena krytem do výbušného prostředí z nerezové chromniklové oceli a je tak vhodná pro použití v prostředí s hořlavými látkami, aplikace pro chemicko-průmyslové závody, těžební doly nebo kritické vojenské aplikace včetně nasazení v minových polích. 4kV ochrana slouží k zachování zřetelného obrazu i při silném oslnění kamery například bleskem fotoaparátu.
Nerezová chromniklová ocel je materiál odolný také proti korozi v průmyslovém prostředí, zvláště odolný proti důlkové korozi v přítomnosti chloridů. Méně vhodný pro kyselinu dusičnou a její výpary.
K zařízení je dodáván ZDARMA software SmartPSS Lite. Slouží k pohodlné správě IP (NVR/XVR/IP kamer) zařízení. Aplikace umožňuje automatické vyhledání zařízení, živý náhled kanálů, nahrávání vybraných kanálů dle zadaných kritérií a samozřejmě přehrávání záznamů. Další aplikace je DSS Express, která je také zdarma. Nabízí více funkcí a architekturu klient-server. Nejdříve naistalujete serverovou část a poté klientskou aplikaci. Klient může být nainstalovaný na stejném PC jako server, ale i na jiném PC ve stejné síti. DSS Express umožňuje až 10 připojených klientů zdarma. Pokročilejší DSS Pro je již licencované a nabízí mnohem více analytických funkcí.
Pro mobilní přístup využijte aplikaci DMSS; stahujte a instalujte z aplikačních systémových bází (Google/Apple).
Většina IP kamer Dahua je podporována v NAS zařízeních Synology (seznam zde) a Qnap (seznam zde).
ZÁKLADNÍ SPECIFIKACE:
Vlastnosti:
- Certifikát ATEX
- H.265+ a H.264+ s vylepšenými adaptivními kodéry, nastavitelný datový tok < 8 Mb/s
- Triple stream - tři datové streamy o různé velikosti pásma
- Mobilní přístup - živé sledování z internetu
- Technologie Starlight, 30x optický zoom
- IR přísvit do 100 m
- Pozice pro micro SD kartu o velikosti až 128 GB
- IVS videoanalytika: virtuální plot, vniknutí, změna scény, detekce tváře
Zobrazení:
Rozlišení snímače: 2 Mpx
Snímací čip: 1/2,8" CMOS Starvis
Maximální rozlišení: 1920 x 1080
Podporovaná rozlišení: 1920 x 1080, 1280 x 960, 1280 x 720, 704 x 576, 704 x 480, 640 x 480, 352 x 288, 352 x 240
Minimální osvětlení: 0,005 Lux (barevně, F1.6), 0 Lux (při IR přísvitu)
Rychlost závěrky: 1/1 - 1/30000 s
IR přísvit: ano, 100 m
Objektiv: f = 4,5-135 mm, F1.6 - F4.4, úhel záběru horizontálně 67,8°
Zoom: ano, 30x optický, 16x digitální
ICR filtr: ano
Kompenzace světla: BLC, HLC
Dynamika obrazu: WDR
Redukce šumu: Ultra DNR (2D/3D)
Automatické řízení zisku a jasu: ano
Automatické vyvážení bílé: ano
Potlačení blikání obrazu: ano
PTZ:
360° nepřerušená rotace, 90° naklápění, rychlost otáčení nastavitelná v rozpětí 0,1 - 40°/s, náklon 0,1 - 40°/s
Až 256 přednastavených pozic
Definice 8 nezávislých tras pojíždění kamery, 5 scan cest
Rozhraní a protokoly:
Rozhraní: 1x Fast Ethernet, 10/100Base-T
Video komprese: H.265+, H.265, H.264+, H.264, MJPEG
Podpora ONVIF: ano
Protokoly: IPv4/IPv6, HTTP, HTTPS, SSL, TCP/IP, UDP, UPnP, ICMP, IGMP, SNMP, RTSP, RTP, SMTP, NTP, DHCP, DNS, PPPOE, DDNS, FTP, IP Filter, QoS, Bonjour, 802.1x
Streaming: Triple stream
Slot paměťových karet: ano, microSD (max. 128 GB)
I/O rozhraní: 2x alarm vstup, 1x alarm výstup
Audio: 1x audio vstup, 1x audio výstup
Audio kodeky: G.711a, G.711Mu, AAC, G.722, G.726, MPEG2-L2
Mechanické vlastnosti a prostředí:
Napájení: AC 230 V (AC 100-240 V), příkon do 40 W (75 W s IR přísvitem a vyhříváním)
Materiál: nerezová chromniklová ocel ČSN 10088-1, 1.4404, X2CrNiMo 17-12-2 (staré označení AISI 316L, ČSN 17 349)
Krytí: voděodolnost dle IP68
Pracovní teplota: -40 až +60 °C
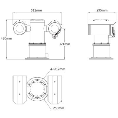
Rozměry: 482 x 393 x 295 mm
Hmotnost: 28,9 kg
Uživatelský manuál k IP kamerám Dahua (cz)
FAQ sekce - řešení často kladených dotazů vč. videonávodů (nastavení funkcí, upgrade firmwaru atd.)
Aktuální software pro produkty Dahua
Aplikace DSS Express (zdarma) a DSS Pro (licencovaná)
Vývoj ceny produktu
Logistické parametre
- Hmotnosť: 35 kg
- Šírka: 74 cm
- Výška: 42 cm
- Hĺbka: 62 cm
- Objem: 192696 cm3
- Počet: 1 ks







